Plugin: Easee Home - Wallbox

Einklappen
X
 
  • Zeit
  • Anzeigen
Alles löschen
neue Beiträge
  • verdammt
    LoxBus Spammer
    • 27.08.2015
    • 292

    #76
    Hi ich habe eben von easee eine Umfrage zum Thema localapi bekommen, vielleicht interessiert es ja nich jemanden.
    For the Easee feedback, there's an important new update on the Ideas board: Local simple API.


    Grüße Markus
    __________________________________________________ ________
    1 Miniserver GEN 2, 6 Extension, AirBase, Tree, Loxberry
    SONOFF 4CH für Garten. MS4Home

    Kommentar


    • hismastersvoice
      hismastersvoice kommentierte
      Kommentar bearbeiten
      Dann war ich wohl nicht alleine mit meiner Anfrage die damals sehr freundlich abgelehnt wurde

    • orli
      orli kommentierte
      Kommentar bearbeiten
      Hab mal mit gevotet. Vielleicht kommt ja was.

    • Witte
      Witte kommentierte
      Kommentar bearbeiten
      Hab auch gevoted 😃
  • Chrone
    Smart Home'r
    • 03.05.2019
    • 99

    #77
    Hallo

    Bei mir habe ich im easee.php den Equalizer wie folgt ergänzt:

    PHP-Code:
    //Check ID / VALUE
    $do_id = array(
    "site",
    "config",
    "equalizer",
    "state",
    "start_charging",
    "stop_charging",
    "pause_charging",
    "resume_charging",
    "reboot",
    "force_reboot",
    "latest",
    "ongoing",
    "post_lock_state",
    "post_settings",
    "poll_all",
    "poll_lifetimeenergy"
    
    );
    
    case "equalizer":
    $url = '/api/equalizers/' . $id . '/state';
    $data = get_req($url_base, $url, $token['accessToken']);
    check_data($data, $url, $file_log_e);
    if (array_key_exists('status',$data)) {
    echo 'Somthing went wrong. Error: '.$data['status'].' ('.$data['title'].')';
    exit;
    }
    if ($config['send_html'] == 1) {
    print_r($data);
    }
    if ($config['send_udp'] == 1) {
    send_udp($id, $data, $config['miniserver']['ip'], $config['miniserver']['port']);
    }
    if ($config['send_json'] == 1) {
    send_json($id, $data);
    }
    if ($config['send_mqtt'] == 1) {
    send_mqtt($id, $data);
    }
    break; 
    
    Dies funktioniert bereits für den Loxberry-Webservice

    Was noch fehlt, ist die Auflistung der Equalizer ID neben den Wallboxen.

    In der API (https://api.easee.cloud/api/accounts/chargers) wird dies wie folgt ausgegeben:
    "equalizers": [
    {
    "id": "QXXXXXXX",
    "name": "QXXXXXXX",
    "siteId": 1234,
    "circuitId": null
    }
    ],


    Kann das Plugin eventuell offiziell erweitert werden?

    Kommentar

    • kofi1990
      Extension Master
      • 21.03.2017
      • 167

      #78
      Hi, ich bekomm das Plugin leider nicht zum laufen und bräuchte bitte eure Hilfe:

      1. Virtuellen Ausgang am Miniserver erstellt.

      Adresse 192.168.1.xxx (mit meiner IP des Loxberry)

      2. Virtuellen Befehl in obigem Ausgang erstellt:

      Befehl bei EIN: /plugins/easee_home/easee.php?do=post_lock_state&value=true&id=EHXXXXX X (Mit meiner Seriennummer)

      3. Taster erstellt (zum Testen) und den Virtuellen Befehl (Ausgang) dran gehängt.

      Normalerweise sollte das Kabel bei drücken des Tasters in der Loxone App ja verriegeln und in der Easee App ersichtlich sein oder? Zumindest die Einstellung sollte geschrieben werden.

      4. Versucht das ganze im Browser zu testen (wie im Loxwiki angegeben) mit folgendem Befehl:

      192.168.1.XXX/plugins/easee_home/easee.php?do=post_lock_state&value=true&id=EHXXXXX
      (Auch JSON Rückgabe im Plugin ist aktiviert)

      Passiert nichts. Seite konnte nicht gefunden werden.

      LG
      Daniel

      Angehängte Dateien

      Kommentar


      • kofi1990
        kofi1990 kommentierte
        Kommentar bearbeiten
        Naja, manchmal lösen sich die Probleme durch ein bisschen nachdenken:
        Ich hab den Loxberry auf Port XX (also nicht 80) laufen.
        Somit: 192.168.1.XXX:XX/plugins/easee_home/easee.php?do=post_lock_state&value=true&id=EHG459E 7

        Alles gut,
    • kofi1990
      Extension Master
      • 21.03.2017
      • 167

      #79
      Ich bräuchte bitte wieder eure Hilfe:

      Ich möchte gerne den Überschuss meiner PV ins E-Fahrzeug bringen.
      Leider scheitere ich aktuell an der Phasenumschaltung:

      Wallbox Baustein:
      All --> PV Überschuss (zum Probieren hab ich eine Auswahltaste mit Wert angehängt)
      AQI --> Ladelimit der Wallbox (auf Basis All) funktioniert.

      Den AQI hab ich dann per Status in 1-Phasige Ampere und 3-Phasige Ampere umgewandelt (in 2 Ampere-Schritten )
      1P/6A = 1,38KW
      1P/8A = 1,84KW
      1P/10A = 2,3KW
      1P/12A = 2,76KW
      1P/14A = 3,22KW
      1P/16A = 3,68KW
      3P/6A = 4,14KW
      3P/8A = 5,52KW
      3P/10A = 6,90KW
      3P/12A = 8,28KW
      3P/14A = 9,66KW
      3P/16A = 11,04KW

      Dann hab ich 2 Virtuelle Ausgänge erstellt.
      1x um die Ampere zu setzen (/plugins/easee_home/easee.php?do=post_settings&type=dynamicChargerCurr ent&value=6&id=EHXXXXX)
      1x um die Phasen zusetzen (/plugins/easee_home/easee.php?do=post_settings&type=phaseMode&value=1& id=EHXXXXX)

      Die Befehle selbst funktionieren. Ich konnte nach ändern der Ampere den korrekten Status in der Config sehen.

      Wenn ich jetzt vom "PV Simulator" 5 KW (Bereich: 3ph/6A) bekomme und dann umschalte auf 3 KW (1ph/12A), wird zwar die Amperzahl korrekt gesetzt, aber die Wallbox lädt trotzdem mit 3 Phasen weiter.

      Muss ich die Ladung vor der Umschaltung pausieren und dann wieder aufnehmen? Automatische Umschaltung würde für mich was anderes heißen.

      Sollte ich mit meinem Ansatz komplett am falschen Weg sein, bitte ich um Hinweise. Ich bin um eure Hilfe dankbar .

      Liebe Grüße
      Daniel

      Kommentar


      • orli
        orli kommentierte
        Kommentar bearbeiten
        Kamst du hier zu einer Lösung?

      • miqa
        miqa kommentierte
        Kommentar bearbeiten
        Würde mich auch interessieren. Gibt es hier inzwischen Erfahrungen zum tatsächlichen automatischen umschalten, oder führt der weg wirklich über pause und resume?
    • Econaut
      Azubi
      • 31.05.2021
      • 9

      #80
      Hallo zusammen
      Ich habe seit einiger Zeit das Problem, dass sich das Loxberry aufhängt, wenn ich ein Elektroauto an der easee Wallbox einstecke. Das zeigt sich wie folgt:
      - Ich stecke das Auto ein. Das Auto fängt an zu laden. Im Loxone EV-Ladebaustein wird der Vorgang nicht angezeigt - ergo zeigt es an, dass kein Auto angeschlossen ist.
      - Wenn ich nun auf http://loxberry/ zugreifen möchte, um zu prüfen wo das Problem liegt, kann ich mich nicht einloggen. Der Screen bleibt weiss und das Ladeührchen dreht seine Runden.
      - Im Hintergrund scheint der Loxberry nicht ganz weg zu sein, denn bspw. funktioniert das MQTT Plugin weiterhin und tut sein Ding.
      - Dieses Problem habe ich etwa alle 1 bis 1.5 Monate. Einzig was mir hilft ist ein Backup wieder aufzuspielen. Dann funktioniert alles wieder.
      - Dieses Problem tritt immer nur auf in Kombination mit dem Einstecken von einem Auto auf. Daher vermute ich, dass irgendetwas nicht ganz perfekt zu funktionieren scheint.

      Mein Loxberry ist standardmässig installiert. Es laufen nur die Plugins Netatmo, Backup, easee und MQTT. Im easee Plugin habe ich sowohl direkt als auch über MQTT versucht -> mit dem gleichen Ergebnis.

      Hat wer ne Ahnung wo hier das Problem liegen könnte oder wie ich das Problem ausfindig machen kann? Kann mich auf Loxberry ja dann nie einloggen.

      Danke für Tipps und Hilfestellungen. So langsam nervt es doch, wenn sich das Losberry alle 4 bis 6 Wochen so verabschiedet.

      Viele Grüsse

      Jan

      Kommentar


      • Witte
        Witte kommentierte
        Kommentar bearbeiten
        Hey, das hört sich genau nach meinem Problem an:
        Hi zusammen, heute habe ich die Meldung bekommen, dass mein Miniserver einen Timeout bei der Anfrage eines Scripts unter <loxberryIP>:port/legacy/... bekommen hat. Also gut, mal nachgeschaut was da los ist. Meine erste Vermutung war, dass die SD Karte voll ist, das hatte ich als Ursache schon mal. Aber df -h zeigte nur


        Sicher, dass du ein Backup einspielen musst? Probier mal nur den apache neuzustarten? Das klappt bei mir.
        Bin fast der Meinung, dass das am easee Plugin liegt (siehe angehängter Log in meinem Thread).

      • Econaut
        Econaut kommentierte
        Kommentar bearbeiten
        Hallo Witte
        Danke. Das scheint effektiv ein ähnliches Problem zu sein. Das mit dem Backup aufspielen ist für mich das einfachste.. so gut kenne ich mich nicht aus. Aber mit deinem verlinkten Thread weiss ich jetzt, wie ich das beim nächsten Mal prüfen kann.
        Ich denke nun auch, dass der RAM durch die Fehlermeldungenwohl irgendwann voll ist und dann der Apache versagt und nicht mehr erreichbar ist. So passt das dann auch irgendwie zum wiederkehrenden Zeitpunkt des Problems. Ich stelle das dann halt immer dann fest, wenn es soweit ist, denn der Rest funktioniert ja noch und somit merke ich es immer erst beim Einstecken des EV.
    • hismastersvoice
      Supermoderator
      • 25.08.2015
      • 7433

      #81
      Mir ist jetzt noch nicht ganz klar warum der Loxoberry abstützen soll wenn ein Auto angesetzt wird.
      Die Daten werden ja alle X-Sekunden abgerufen und nicht aktiv beim zB einstecken eines Autos gesendet.

      Was für eine Abfragerate habe ihr eingestellt?
      Kein Support per PN!

      Kommentar


      • Witte
        Witte kommentierte
        Kommentar bearbeiten
        Von was? Die Logs findest du im Thread, den ich verlinkt hab: https://www.loxforum.com/forum/proje...ht-mehr-apache

      • svethi
        svethi kommentierte
        Kommentar bearbeiten
        Das Plugin braucht laut Apache zur Fehlerzeit über 30 Sek zum Antworten. Wenn Du eine Abfragezeit von 20 Sek hast, kannst Du Dir ausrechnen was passiert

      • Econaut
        Econaut kommentierte
        Kommentar bearbeiten
        Ich merke es erst beim Einstecken… das Problem wird dann bereits schon existieren. Da aber die restlichen Sachen beim Loxy laufen, merke ich es immer erst durch das Einstecken und das Ausbleiben der Ladestarts in der Loxone App.
        Muss mal schauen, welche Abfragezeit ich eingestellt habe.

        Welche Abfragezeit müsste es denn idealerweise sein?
    • hismastersvoice
      Supermoderator
      • 25.08.2015
      • 7433

      #82
      Ich habe mal die Version 0.2.8 erstellt.
      Habe die Skriptlaufzeit beschränkt und curl connection und response timeouts gesetzt.

      Diese Version ist vorerst nur zum testen für euch und noch nicht auf dem Download Server.
      Ladet die Datei hier runter und installiert sie von Hand, das Autoupdate müsst ihr vorerst ausschalten.
      Wenn es eine Verbesserung gibt lade ich sie auf den offiziellen Server hoch.
      Angehängte Dateien
      Kein Support per PN!

      Kommentar


      • Econaut
        Econaut kommentierte
        Kommentar bearbeiten
        Habe nun wieder das gleiche Problem wie bereits oben beschrieben. Die Version 2.8 hat das also nicht behoben. Der Ladebaustein kriegt keine Info. Loxberry läuft, kann mich aber nicht mehr anmelden.

      • Econaut
        Econaut kommentierte
        Kommentar bearbeiten
        Habe diesmal den Apache per SSH beendet und wieder gestartet. Das hat das Problem wieder behoben. Wenn ich mich danach beim Loxberry anmelde, sehe ich folgenden Fehler als weitere Info für euch:

        Healthcheck reports 1 errors. Please run Healthcheck for details.
        Current errors:
        Error executing the test: Could not query data (stopped at MS Loxone: 500 read timeout at /opt/loxberry/sbin/healthcheck.pl line 1362.

        Apache Log ist voll mit dieser Meldung:
        Fatal error: Maximum execution time of 15+2 seconds exceeded (terminated) in /opt/loxberry/webfrontend/html/plugins/easee_home/easee_functions.php on line 22
        Zuletzt geändert von Econaut; 04.08.2022, 09:06. Grund: Log angehängt
    • Witte
      Extension Master
      • 30.12.2019
      • 147

      #83
      Danke hab die 0.2.8 mal installiert und werde sie beobachten.
      Die FATALs im Apache fallen zur selben Zeit an, wo das ease_error.log Probleme mit dem Token aufzeigt:
      Code:
      ERROR: 2022-06-24 17:13:07 - /api/accounts/token
      {"errorCode":181,"errorCodeName":"InvalidToken","t ype":null,"title":"Invalid token","status":401,"detail":"[Empty in production]","instance":null,"extensions":[]}
      ERROR: 2022-06-24 17:13:14 - /api/chargers/EH5YSTSC/state
      {"status":429,"traceId":"00-1cbff4b50a199a4ebbb4e725e42252b4-00fe0fefbb3f9f4f-00"}
      ERROR: 2022-06-24 17:13:14 - /api/chargers/EH5YSTSC/config
      {"status":429,"traceId":"00-396651d90faa214389fc4688c4835b15-462d27def0e1a44e-00"}
      ERROR: 2022-06-24 17:13:15 - /api/chargers/EH5YSTSC/state
      {"status":429,"traceId":"00-a59bf0f4cfd18944b31d4d20b754834a-7c091f962ced0444-00"}
      ERROR: 2022-06-24 17:13:15 - /api/chargers/EH5YSTSC/config
      {"status":429,"traceId":"00-640a6ecc4d93b343badf396193dec957-b79fbe8ae0587247-00"}
      ERROR: 2022-06-24 17:13:15 - /api/chargers/EH5YSTSC/state
      {"status":429,"traceId":"00-999b63e96b4034428b6077cd259c5ffe-b0bf45e29b1dd144-00"}
      ERROR: 2022-06-24 17:13:15 - /api/chargers/EH5YSTSC/config
      {"status":429,"traceId":"00-9aa972f5dbcebf449f5e8d24f5cc2876-dc0128fc0c6d7d46-00"}
      ERROR: 2022-06-24 17:13:16 - /api/chargers/EH5YSTSC/state
      {"status":429,"traceId":"00-287d74713d53dd4aba16f37621e4e606-0fdf7b4757bccd44-00"}
      ERROR: 2022-06-24 17:13:16 - /api/chargers/EH5YSTSC/config
      {"status":429,"traceId":"00-76c3150619c60840bef8cfd5320b0ece-8bdd12bdad75e340-00"}
      ERROR: 2022-06-24 17:13:16 - /api/chargers/EH5YSTSC/state
      {"status":429,"traceId":"00-80ad164fbcbd3444817a7fc0632baf9d-e68f377d718ba846-00"}
      ERROR: 2022-06-24 17:13:17 - /api/chargers/EH5YSTSC/config
      {"status":429,"traceId":"00-5d8d3a701dfb7649904cf46d7d5fb332-c7d66365590cbb4d-00"}
      ERROR: 2022-06-24 17:13:17 - /api/chargers/EH5YSTSC/state
      {"status":429,"traceId":"00-b4e84a6da8de0d42a7f08aaa8b420075-54e14c6087db794e-00"}
      ERROR: 2022-06-24 17:13:17 - /api/chargers/EH5YSTSC/config
      {"status":429,"traceId":"00-5e31c0adb6afbb4bb4224a72a42e3248-5fc31dddaff9884b-00"}
      ERROR: 2022-06-24 17:13:18 - /api/chargers/EH5YSTSC/state
      {"status":429,"traceId":"00-6542f344325cad42b858148c3ac6c317-a278b567def5714b-00"}
      Dein gesetzter Timeout und ggf. ein close auf der Connection im Errorcase dürften hier Verbesserungen bringen.

      Kommentar

      • Econaut
        Azubi
        • 31.05.2021
        • 9

        #84
        Auch von meiner Seite ein Dankeschön. Hab's auch installiert und werde es nun beobachten.

        Kommentar

        • verdammt
          LoxBus Spammer
          • 27.08.2015
          • 292

          #85
          Vielleicht für denn einen oder anderen von Interesse zum Thema Überschussladung.

          ab 8:20
          Automatic charging of electric vehicles using excess power from photovoltaic systems

          Grüße Markus
          __________________________________________________ ________
          1 Miniserver GEN 2, 6 Extension, AirBase, Tree, Loxberry
          SONOFF 4CH für Garten. MS4Home

          Kommentar

          • miqa
            MS Profi
            • 03.06.2016
            • 782

            #86
            Ich hab auch nochmal zwei Fragen zum PlugIn deren Antwort ich noch nirgends finden konnte. Auto ist leider auch noch nicht da, daher kann ich nicht ausprobieren.

            Muss ich eigentlich den Parameter remoteStartRequired auf true setzten, damit die Wallbox auch auf das hört was der Miniserver ihr sagt? Sonst würde sie ja immer direkt anfangen zu laden wenn das Fahrzeug verbunden wird. Oder hab ich da nen Denkfehler?

            Mit dem Parameter dynamicChargerCurrent stelle ich ja den Ladestrom ein, wenn ich PV Überschuss ins Auto laden möchte. Mir ist aber nicht ganz klar welchen Strom ich damit einstelle. 1Ph oder 3Ph. Die Umschaltung soll ja angeblich automatisch passieren. Angenommen ich sende hier also 16A als Wert, sind das ja 1phasig nur 3,7kW, dreiphasig aber 11kW.

            Kommentar

            • orli
              Lox Guru
              • 13.11.2016
              • 2580

              #87
              Ich habe in der easee App die Authentifizierung aktiviert, das dürfte dem remoteStartRequired Parameter entsprechen. Nebendran hängt bei mir ein NFC Code Touch mit dem ich die Ladung dann freigebe. Geht auch über die easee direkt mit nem NFC Tag, damit habe ich nicht weiter probiert, weil ich die Wallbox Visualisierung von Loxone nutze und die via NFC direkt funktioniert.
              Mit dem Ladelimit stellst du den Ladestrom in Ampere ein und zwar generell, es gilt sowohl für das einphasige als auch das dreiphasige Laden. Hast du 8 A eingestellt und 1 Phase lädt die Easee mit 1 Phase und 8 Ampere. Bei 3 Phasig lädt sie dann 3 Phasen mit je 8 A.
              Ich hab mir daher mehrere Objekte gebaut:

              1) Aktivierung 1 Phasig Laden
              2) Aktivierung 3 Phasig Laden
              3) Ladelimit in A

              Wenn ich nun von 1 Phasig 8 A auf 3 Phasig 16 A wechseln will, sieht meine Logik vereinfacht gesagt so aus:

              - Pausieren aktueller Ladevorgang
              - Aktivierung 3 phasiges Laden
              - Hochsetzen des Ladelimits
              - Resume/Start aktueller Ladevorgang

              Die automatische Phasenwahl macht bei mir irgendwie nicht dass was sie soll bzw. ich erwarte etwas anderes. Habe gelesen, sie horcht aufs Auto, also was das Auto anbietet. Das wäre bei mir 3 Phasen + 16A, die hab ich per Überschussladen allerdings in den seltensten Fällen.
              Auch habe ich die Easee nicht dazu bewegen können ohne die Ladung anzuhalten von einer Phase auf drei Phasen zu switchen (oder andersrum von drei Phasen auf eine Phase).
              Zuletzt geändert von orli; 21.07.2022, 14:42.

              Kommentar


              • miqa
                miqa kommentierte
                Kommentar bearbeiten
                Und du musst bei jedem Ladevorgang dann noch manuell den Start per NFC auslösen?
                Eigentlich will man doch das Auto einstecken und das war's. Laden beginnt automatisch sobald Überschuss vorhanden ist.

                Das mit dem Zugriff funktioniert bei mir aber auch so nicht. Wenn ich in der App "Zugriff nur mit Key" aktiviere fängt das Fahrzeug trotzdem sofort an zu laden wenn ich den Stecker rein stecke.
                Zuletzt geändert von miqa; 23.07.2022, 09:36.

              • orli
                orli kommentierte
                Kommentar bearbeiten
                Ja, muss ich. Das ist aber so gewollt, da meine Box im freien hängt (Carport).

              • miqa
                miqa kommentierte
                Kommentar bearbeiten
                Das funktioniert bei mir irgendwie überhaupt nicht. Auch wenn ich in der App 'zugriff nur mit Key' einstelle fängt das Fahrzeug sofort an zu laden. Zumindest wenn PV Überschuss da ist. Ohne konnte ich noch nicht probieren. Allerdings glaube ich auch nicht dass das Start Kommando schon funktioniert. Nach dem Ladevorgang ist das Icon in der Easee App dann nicht mehr blau, sondern wieder weiß, wenn man es anklickt steht dort aber trotzdem 'Zugriff nur mit key' angehakt. Alle sehr merkwürdig.

                Wegen der Phasenumschaltung hab ich mit dem Easee Kontakt Support Kontakt gehabt. Die haben im Prinzip etwas ähnliches gesagt. Die Box versucht automatisch umzuschalten und kommuniziert dazu mit dem Auto. Je nach Fahrzeug funktioniert es, oder eben nicht.
            • kofi1990
              Extension Master
              • 21.03.2017
              • 167

              #88
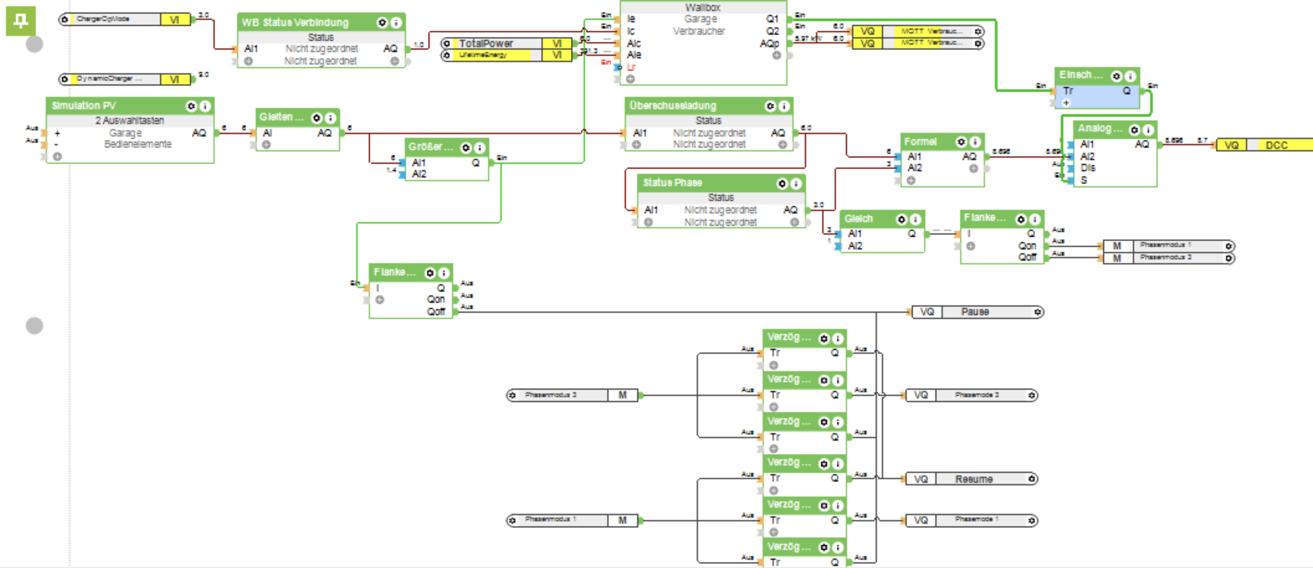
              Ich bekomm die PV erst im Herbst, hab aber mit dem Baustein "2-Auswahltasten" eine Simulation erstellt.
              Im Grunde ist meine Einstellung ähnlich wie bei orli - nur halt ohne NFC Authorisierung

              Ich bin wie folgt vorgegangen:
              1. Am Überschuss in KW hängt ein gleitender Durchschnitt (ST = 10, S=6), dass sich die Wallbox besser mit sich schnell und stark änderndem Überschuss umgehen kann
              2a. (Flankengetr. Wischrel.): Wenn der Überschuss kleiner 1.38 KW ist, schaltet die Wallbox auf Pause bzw. größer 1.38 KW auf resume (1,38 KW = 6A x 230V 1-Phase)
              2b. (Statusbaustein "Überschuss"): Auf den gleitenden Durchschnitts-Überschuss folgt ein Status, der bei kleiner 1.38KW den Wert 0 weiter gibt und bei größer 1.38KW eben den KW Wert
              3. An dem Baustein "2b" hängt:
              * Statusbaustein der die Phase bestimmt: <1.38 = 0, >1.38, <4.6 = 1, >4.6 = 3 (Der Wert 0,1,3 wird dann weitergegeben und der entsprechende Befehl an die Wallbox geschickt.
              * Formel: Der KW Wert wird mit der Formel "I1*1000/(230*I2)" in Ampere Umgerechnet. I1 = KW, I2 = Phasen.

              Parallel dazu wird eben bei überschreiten von 4.6 die Wallbox pausiert, der Befehl zur Phasenumschaltung weitergegeben und dann wieder "resumed".
              Gleiches bei Wechsel von 3-Phasig auf 1-Phasig.

              In meiner Simulation funktioniert das ganze, jedoch hab ich mir das auch einfacher vorgestellt. Scheinbar heißt bei Easee "automatische Umschaltung", dass bei Ladebeginn entschieden wird, ob 1- oder 3-phasig geladen wird, jedoch nicht während des Ladevorgangs.

              Sollte es Verbesserungen in meiner Config geben bitte mitteilen

              LG
              Daniel




              Angehängte Dateien

              Kommentar


              • orli
                orli kommentierte
                Kommentar bearbeiten
                Wenn du das ganze mal als Loxone Datei einstellst, dass man es kopieren kann, teste ich das die Tage gern mal durch mit meiner easee.
            • kofi1990
              Extension Master
              • 21.03.2017
              • 167

              #89
              Hi orli, das wär super.

              Im Anhang die Datei. Folgendes ist mir bereits aufgefallen:

              Wenn Überschuss vorhanden ist funktioniert der Start mit den passenden Phasen + Ampere, sodass die Überschuss-KW weitergegeben werden.
              Auch die Umschaltung bei weniger als 4,6KW von 1 auf 3 Phasen und umgekehrt funktioniert mithilfe von pause+resume.

              Probleme hab ich noch bei 0 Überschuss:
              Wenn ich also bspw. in der Nacht heimkomme und anstecke startet die Ladung 3-Phasig mit 20A (also maximal).
              Hierzu bräuchte ich noch eine Lösung.
              Eine Möglichkeit wäre, dies über die RFID Sperre (authorizationRequired) umzusetzen. Also wenn Überschuss kleiner 1.38KW dann Sperre ein, sonst aus.
              Gibt es hier auch noch eine andere Möglichkeit?

              LG
              Angehängte Dateien

              Kommentar

              • kofi1990
                Extension Master
                • 21.03.2017
                • 167

                #90
                Das letzte Problem hab ich jetzt mit dem RFID Modus gelöst.
                Wenn ein Fahrzeug angeschlossen ist und Überschuss anliegt, wird der RFID Modus deaktiviert.
                Wenn ein Fahrzeug angeschlossen ist, jedoch kein Überschuss anliegt, wird der RFID Modus aktiviert.
                Zusätzlich hab ich jetzt statt DynamicChargeCurrent umgestellt auf MaxChargeCurrent.
                Grund dafür:
                Wenn kein Fahrzeug angeschlossen ist und sich der Überschuss ändert, sodass von 1-Phasig auf 3-Phasig umgestellt wird, lässt sich DCC nicht ändern (weil ja keine Ladung aktiv ist).
                Wenn ich dann also anschließe, stimmt zwar die Phase, jedoch wird die Ladung mit der Maximalen Current gestartet.

                MCC lässt sich jedoch unabhängig von einer aktiven Ladung ändern.

                Das ganze löst natürlich dein Problem nicht orli, da es keinen Schutz gegen Dritte bietet, die draußen ihr Auto an die WB anschließen.
                Angehängte Dateien

                Kommentar


                • kofi1990
                  kofi1990 kommentierte
                  Kommentar bearbeiten
                  eigentlich schon. in meinen Tests hat's nicht funktioniert. warum auch immer

                • kofi1990
                  kofi1990 kommentierte
                  Kommentar bearbeiten
                  Das nächste Thema, das ein Problem darstellen wird ist der Überschuss bei Umschaltung.

                  Die Umschaltung dauert ja einige Sekunden und da ist der Verbrauch der Wallbox auf 0. Heißt wiederum, dass der Überschuss für die Berechnung in dieser Zeit der PV zu hoch berechnet wird, weil kein Verbrauch ist. Das könnte zu einem "Pendeleffekt" führen und immer die Umschaltung von 1- auf 3-phasig anstoßen.

                  zB:
                  * Wallbox lädt 3-phasig mit 5 KW
                  * Überschuss sinkt auf 4KW
                  * Wallbox pausiert und schaltet von 3-phasig auf 1-phasig (wodurch natürlich der Überschuss in dieser Zeit kurzzeitig steigt - weil kein Verbrauch)
                  * Wallbox bekommt wieder den Befehl, dass sie auf 3-phasig umschalten muss
                  * usw...

                  Die Einbindung der PV fehlt bei mir generell noch - weil noch nicht vorhanden. Kann ich mir aber erst im September/Oktober anschauen.
                  LG

                • miqa
                  miqa kommentierte
                  Kommentar bearbeiten
                  Hab ich auch noch nicht probiert, aber das Probem solltest du lösen können indem du den Überschuss von einem Energiemanagerbaustein holst. Der hat genau für diese Problematik eine Hysterese drin. Sprich der verändert die Werte nur einmal in der Minute. Wenn die 1ph/3ph Umschaltung in kleiner einer Minute abläuft, sollte das funktionieren.
              Lädt...